16.2.2 MobileIP

The wired-cum-wireless extensions for the wireless model paved the path for supporting wireless MobileIP in ns. Sun Microsystem's (Charlie Perkins et al) MobileIP model was based on ns's wired model (consisting of Node's and Link's) and thus didnot use CMU's mobility model.

Here we briefly describe the wireless MobileIP implementation. We hope that Sun would provide the detailed version of the documentation in the future.

The mobileIP scenario consists of Home-Agents(HA) and Foreign-Agents(FA) and have Mobile-Hosts(MH) moving between their HA and FAs. The HA and FA are essentially base-station nodes we have described earlier. While MHs are basically the mobileNodes described in section 16.1.1. The methods and procedures for MobileIP extensions are described in ~ns/mip.{cc,h}, ~ns/mip-reg.cc, ~ns/tcl/lib/ns-mip.tcl and ~ns/tcl/lib/ns-wireless-mip.tcl.

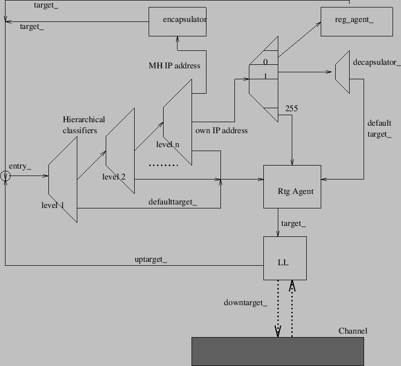
Figure 16.4: Schematic of a Wireless MobileIP BaseStation Node
\includegraphics{wireless-mip}
The HA and FA nodes are defined as MobileNode/MIPBS having a registering agent (regagent_) that sends beacon out to the mobilenodes, sets up encapsulator and decapsulator, as required and replies to solicitations from MHs. The MH nodes are defined as MobileNode/MIPMH which too have a regagent_ that receives and responds to beacons and sends out solicitations to HA or FAs. Figure 16.4 illustrates the schematic of a MobileNode/MIPBS node. The MobileNode/MIPMH node is very similar to this except for the fact that it doesnot have any encapsulator or decapsulator. As for the SRNode version of a MH, it doesnot have the hierarchical classifiers and the RA agent forms the entry point of the node. See Figure 16.2 for model of a SRNode.

The MobileNode/MIPBS node routinely broadcasts beacon or advertisement messages out to MHs. A solicitation from a mobilenode generates an ad that is send directly to the requesting MH. The address of the base-station sending out beacon is heard by MH and is used as the COA (care-of-address) of the MH. Thus as the MH moves from its native to foreign domains, its COA changes. Upon receiving reg_request (as reply to ads) from a mobilehost the base-station checks to see if it is the HA for the MH. If not, it sets up its decapsulator and forwards the reg_request towards the HA of the MH.

In case the base-station is the HA for the requesting MH but the COA doesnot match its own, it sets up an encapsulator and sends reg-request-reply back to the COA (address of the FA) who has forwarded the reg_request to it. so now all packets destined to the MH reaching the HA would be tunneled through the encapsulator which encapsulates the IP pkthdr with a IPinIP hdr, now destined to the COA instead of MH. The FA's decapsulator recives this packet, removes the encapsulation and sends it to the MH.

If the COA matches that of the HA, it just removes the encapsulator it might have set up (when its mobilehost was roaming into foreign networks) and sends the reply directly back to the MH, as the MH have now returned to its native domain.

The mobilehost sends out solicitations if it doesnot hear any ads from the base-stations. Upon receiving ads, it changes its COA to the address of the HA/FA it has heard the ad from, and replies back to the COA with a request for registration (reg-request). Initially the MH maybe in the range of the HA and receives all pkts directly from its COA which is HA in this case. Eventually as the MH moves out of range of its HA and into the a foreign domain of a FA, the MH's COA changes from its HA to that of the FA. The HA now sets up an encapsulator and tunnels all pkts destined for MH towards the FA. The FA decapsulates the pkts and hands them over to the MH. The data from MH destined for the wired world is always routed towards its current COA. An example script for wireless mobileIP can be found at ~ns/tcl/ex/wireless-mip-test.tcl. The simulation consists of a MH moving between its HA and a FA. The HA and FA are each connected to a wired domain on one side and to their wireless domains on the other. TCP flows are set up between the MH and a wired node.

Tom Henderson 2011-11-05